|
|
Einloggen Registration |
![]() | |
![]() | |
![]() | |
![]() | |
![]() | |
![]() | |
![]() | |
![]() | |
![]() | |
![]() | |
![]() | |
![]() | |
![]() | |
![]() |
![]() | |
![]() | |
![]() |
![]() | |
![]() | |
![]() | |
![]() | |
![]() | |
![]() | |
![]() | |
![]() | |
![]() | |
![]() | |
![]() | |
![]() |
![]() | Az ISO 9001:2015 szabvány szerinti tanúsítást a TÜV Rheinland Cert GmbH állította ki. Érvényessége: 2027.12.17. | Letöltés |
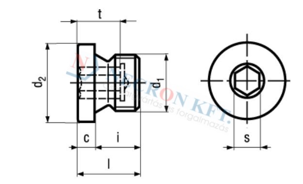
| Dimension (d1) | M 8x1 | M 10x1 | M 12x1.5 | M 14x1.5 | M 16x1.5 | M 18x1.5 | M 20x1.50 |
| s | 5 | 5 | 6 | 6 | 8 | 8 | 10 |
| t min | 2.4 | 5 | 7 | 7 | 7.5 | 7.5 | 7.5 |
| d2 h14 | 12 | 14 | 17 | 19 | 21 | 23 | 25 |
| c | 3 | 3 | 3 | 4 | 3 | 4 | 4 |
| i | 8 | 8 | 12 | 12 | 12 | 12 | 14 |
| Dimension (d1) | M 22x1.5 | M 24x1.5 | M 26x1.5 | M 27x2 | M 30x1.5 | M 30x2 | M 33x2 |
| s | 10 | 12 | 12 | 12 | 17 | 17 | 17 |
| t min | 7.5 | 7.5 | 9 | 9 | 9 | 9 | 9 |
| d2 h14 | 27 | 29 | 31 | 32 | 36 | 36 | 39 |
| c | 4 | 4 | 4 | 4 | 4 | 4 | 5 |
| i | 14 | 14 | 16 | 16 | 16 | 16 | 16 |
| Dimension (d1) | M 36x1.5 | M 36x2 | M 38x1.5 | M 42x1.5 | M 45x1.5 | M 48x1.5 | M 52x1.5 |
| s | 19 | 19 | 19 | 22 | 22 | 24 | 24 |
| t min | 10.5 | 10.5 | 10.5 | 10.5 | 10.5 | 10.5 | 10.5 |
| d2 h14 | 42 | 42 | 42 | 49 | 52 | 55 | 60 |
| c | 5 | 5 | 5 | 5 | 5 | 5 | 5 |
| i | 16 | 16 | 16 | 16 | 16 | 16 | 16 |
| Dimension (d1) | M 52x2 | M 56x2 | M 64x2 | G 1/8 A | G 1/4 A | G 3/8 A | G 1/2 A |
| s | 32 | 32 | 32 | 5 | 6 | 8 | 10 |
| t min | 10.5 | 14 | 14 | 5 | 7 | 7.5 | 7.5 |
| d2 h14 | 64 | 72 | 72 | 14 | 12 | 22 | 26 |
| c | 5 | 5 | 5 | 3 | 3 | 3 | 4 |
| i | 16 | 20 | 20 | 8 | 12 | 12 | 14 |
| Dimension (d1) | G 3/4 A | G 1 A | G 1 1/8 A | G 1 1/4 A | G 1 1/2 A | G 1 3/4 A | G 2 A |
| s | 12 | 17 | 19 | 22 | 24 | 32 | 32 |
| t min | 9 | 9 | 10.5 | 10.5 | 10.5 | 14 | 14 |
| d2 h14 | 32 | 39 | 44 | 49 | 55 | 62 | 68 |
| c | 4 | 5 | 5 | 5 | 5 | 5 | 5 |
| i | 16 | 16 | 16 | 16 | 16 | 20 | 20 |
Total execution time in seconds: 0.18785405158997
